Edelstahlpool Expert PP-Technikschacht inkl. Technik
Haben Sie Fragen zu diesem Produkt?
Gern beraten wir Sie in einem persönlichem Gespräch.
PP Technikschacht - hochwertige Polypropylen Technikschächte für Überlaufbecken inkl. Technik
Vorteile
• Zeitgerechtes Design und beste Qualität
• Top Preis-Leistungs-Verhältnis
• hohe Langlebigkeit
• hochwertige Materialien, modernste Technik und sorgfältige Verarbeitung
• Hygienisch einwandfrei, farbbeständig, glatte, porenfreie Oberfläche, UV-beständig, abriebbeständig
• keine Osmosebildung möglich
Technische Details
• 10 mm Wandstärke, 8 mm Boden
• Komplett verstrebt, verstärkte Kanten
• Farbe Grau
• inkl. Lieferung innerhalb Deutschland (außer Inseln)

Technikpaket 5 für Edelstahl-Überlaufbecken
Technikpaket B bis 60 m³ Beckeninhalt
Alle Techniksets sind vorinstalliert, verrohrt und verfügen über die notwendige Elektroinstallation. Für den Transport können einzelne Komponenten aus Sicherheitsgründen in Baugruppen zerlegt werden. Mit Hilfe unserer Beschriftung und visualisierten Montageanleitung ist eine Montage denkbar einfach.
Schachtmaße
L 300 cm x B 200 x H 130 cm
Einstiegsmaß 80 x 80 cm
inkl. Verstrebungen und 2 Deckeln
Elektroverteiler
Schneider Elektro-Schaltkasten
Filterbehälter
Platinum II 600 inkl. Filterglas
Filterpumpe
BWT i-Star II 15M
Rinnentanksteuerung
OSF NR-12-TRS-3
Wassernachspeisung
über Magnetventil
Wasseraufbereitung
OSF MRD-3 mit freier Chlormessung
Verrohrung
im Technikschacht
Filterbehälter Platinum II
Platinum II Sandfilter werden aus glasfaserverstärktem Polyester gefertigt und sind mit einem glänzenden Finish versehen. Die Filterbehälter sind mit seitlichem 6-Wege-Ventil, Düsenkreuz, großem Ablasshahn sowie Polypropylen-Filterfuß ausgestattet. An der oberen Öffnung befindet sich ein neues Flanschsystem, wodurch der Austausch des kompletten Flansches inklusive Gewindestehbolzen möglich wird. Ein leichtes öffnen des schwarzen Deckels ist jederzeit möglich. Platinum II Sandfilter überzeugen durch ein sehr gutes Preis-Leistungs-Verhältnis.
Technische Details
• Blauer Filtertank
• Großer, schwarzer Deckel, mit integriertem Manomter und Entlüftungsventil
• Seitliches 6-Wegeventil mit Klebeanschlüssen
• Saugrohre für hohe Durchflussmengen
| d= 500 mm | d= 600 mm | d= 750 mm | |
|---|---|---|---|
| Filtermedium (Körnung 0,4-0,8 mm) (kg) | 90 | 125 | 300 |
| Filtrationsoberfläche (m²) | 0,19 | 0,28 | 0,44 |
| Betriebsdruck (bar) | 2,5 | 2,5 | 2,5 |
| max. Durchfluß (m³/h) | 12 | 15 | 21 |
| Gewicht (kg) | 16,8 | 19 | 31,8 |
Maße

| Filterdurchmesser | Ventil | A | H | M | N |
|---|---|---|---|---|---|
| 500 mm | 1½" | 525 | 770 | 415 | 290 |
| 600 mm | 1½" | 620 | 805 | 455 | 330 |
| 750 mm | 2" | 785 | 925 | 570 | 340 |
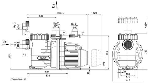
BWT i-Star II Filterpumpe
Langlebige selbstansaugende Filterpumpe zur Schwimmbadwasser-Umwälzung in privaten Schwimmbecken. Sie ist leichtgewichtig, selbstansaugend und kompatibel mit der Salzwasserelektrolyse.
Korrosionsbeständigkeit
Pumpenkörper und Vorfilter bestehen aus Polypropylen. Sie sind somit korrosionsbeständig beim Einsatz in Schwimmbecken die mit Salzelektrolyse (max. 5g/l) behandelt werden.
Selbstansaugung
Die Pumpe ermöglicht eine sofortige Aktivierung des Filtersystems und den ordnungsgemäßen Betrieb von automatischen Reinigern, die mit dem Pumpenansaugmechanismus verbunden werden.
Sicherheit
Jetzt noch sicherer: Das Antriebsrad ist so konzipiert, dass die Motorwelle nicht mit dem Beckenwasser in Berührung kommen kann; Fehlerstrom kann deshalb nie versehentlich in den Pool gelangen.
Zuverlässigkeit der mechanischen Dichtung
Montage der Flügelnabe auf einer schützenden Kunststoffwelle.
Technische Daten
• Pumpengehäuse und Vorfilter aus Polypropylen
• Ein- und Ausgänge mit AG, d= 63 mm (Anschlüsse d= 63 mm zum Kleben, im Lieferumfang enthalten) oder IG 1 1/2"
• Großer Vorfilterkorb
• Transparenter Deckel von außen an das Gehäuse geschraubt
• Selbstansaugend
• Pumpe geeignet für die Salzelektrolyse (5g/l)
• Jetzt noch sicherer: Das Antriebsrad ist so konzipiert, dass die Motorwelle nicht mit dem Beckenwasser in Berührung kommen kann. Fehlerstrom kann deshalb nie versehentlich in den Pool gelangen.
• Lieferung mit Werkzeug zum Öffnen des Vorfilters.
| Anschluß Saugseite/Druckseite | Ø 63 mm Klebemuffe + 1 1/2" IG |
|---|---|
| Pumpenleistung | 15 m³/h bei 8 mWs |
| Leistungsaufnahme | 0,97 kW |
| Leistungsabgabe | 0,65 kW |
| elektr. Anschluß | 230V 50Hz |
Leistungsdiagramm

Maßzeichnung

Dosieranlagen

OSF MRD-3
Automatisches Mess- und Regelsystem inkl. Messung von freiem Chlor für die klassische Wasserdesinfektion mit Chloriliquid Flüssigchlor. Messung und Regelung von pH-Wert und Chlor (Messung von freiem Chlor).
Die Dosieranlage WATERFRIEND MRD-3 beinhaltet einen farbigen Touch Screen Monitor mit grafischer Oberfläche und benutzerfreundlicher Menüführung, sowie einen Web-Server. Diese richtungsweisende Technologie ermöglicht den Zugriff auf die Dosieranlage mittels Internet, Computer, Smartphone oder Gebäudeleittechnik. Die Dosieranlage einschließlich Steuerung, Chlorsensor Einstabmessketten, Durchflussarmatur, Schmutzfilter, Durchflussmesser und Dosierpumpen befindet sich in einem formschönen Kunststoffgehäuse für Wandmontage.
FKB Systemtechnik GmbH
Sörnewitzer Straße 43
01689 Weinböhla
www.schwimmbadtechnik-fkb.de
Sicherheitstechnische Angaben in der Bedienungsanleitung und Anleitungsblättern, die dem Schwimmbecken beigefügt sind.
Vor dem Bau und der Benutzung des Schwimmbeckens müssen sämtliche Informationen in der Betriebsanleitung sorgfältig gelesen und verstanden werden. Warnhinweise, Anleitungen und Sicherheitsrichtlinien umfassen einige allgemeine Risiken in Bezug auf Freizeitbeschäftigung im Wasser, sie können jedoch nicht sämtliche Risiken und Gefährdungen in allen Fällen behandeln. Bei jeglicher Aktivität im Wasser wird Vorsicht, gesunder Menschenverstand und gutes Urteilsvermögen walten gelassen. Diese Angaben und Anleitungen müssen für die spätere Nutzung aufbewahrt werden.
Sicherheit von Nichtschwimmern:
• Es ist jederzeit eine ständige, aktive und wachsame Beaufsichtigung schwacher Schwimmer und Nichtschwimmer durch eine sachkundige erwachsene Aufsichtsperson erforderlich (es wird daran erinnert, dass das größte Risiko des Ertrinkens bei Kindern unter 5 Jahren besteht).
• Es wird eine sachkundige erwachsene Person bestimmt, die das Becken überwacht, wenn es benutzt wird.
• Schwache Schwimmer oder Nichtschwimmer sollten persönliche Schutzausrüstung tragen, wenn sie ins Schwimmbecken gehen.
• Wenn das Schwimmbecken nicht benutzt oder überwacht wird, werden sämtliche Spielsachen aus dem Schwimmbecken und seiner Umgebung entfernt, um zu verhindern, dass Kinder davon angezogen werden.
Sicherheitsvorrichtungen:
• Es wird empfohlen, eine Absperrung zu errichten (und sämtliche Türen und Fenster zu sichern, sofern zutreffend), um unberechtigten Zutritt zum Schwimmbecken zu vermeiden.
• Absperrungen, Beckenabdeckungen, Alarmanlagen oder ähnliche Sicherheitsvorrichtungen sind sinnvolle Hilfsmittel, ersetzen jedoch keine ständige und sachkundige Überwachung durch erwachsene Personen.
Sicherheitsausrüstung:
• Es wird empfohlen, Rettungsausrüstung (z. B. einen Rettungsring, Sanikasten) in der Nähe des Beckensaufzubewahren.
• Ein funktionierendes Telefon und eine Liste von Notrufnummern werden in der Nähe des Schwimmbeckens aufbewahrt.
Sichere Nutzung des Schwimmbeckens:
• Sämtliche Nutzer, insbesondere Kinder, werden dazu ermuntert, schwimmen zu lernen.
• Jeder der ein Schwimmbecken benutzt soll Erste Hilfe Maßnahmen (Herz-Lungen-Wiederbelebung) erlernen und diese Kenntnisse regelmäßig auffrischen. Das kann bei einem Notfall einen lebensrettenden Unterschied ausmachen.
• Sämtliche Beckenbenutzer, einschließlich Kinder, anweisen, was in einem Notfall zu tun ist.
• Niemals in flaches Wasser springen. Das kann zu schweren Verletzungen oder zum Tode führen.
• Das Schwimmbecken nicht benutzen, wenn man unter dem Einfluss von Alkohol, Drogen, Betäubungsmitteln, Medikamenten oder anderen Substanzen steht, welche die Fähigkeit zur sicheren Nutzung des Beckens beeinträchtigen können.
• Beckenabdeckungen vor dem Betreten des Schwimmbeckens vollständig von der Wasseroberfläche entfernen, wenn sie verwendet werden.
• Die Nutzer des Schwimmbeckens werden vor durch das Wasser verbreiteten Krankheiten geschützt, indem das Wasser stets aufbereitet und hygienisch unbedenklich gehalten wird. Die Richtlinien zur Wasseraufbereitung in der Gebrauchsanleitung werden zu Rate gezogen und eingehalten.
• Chemikalien (z. B. Produkte für die Wasseraufbereitung, Reinigung oder Desinfektion) außerhalb der Reichweite von Kindern aufbewahren.
• Abnehmbare Leitern sind auf einer waagerechten Fläche anzuordnen.
• Die nachstehenden nachstehenden Sicherheitszeichen müssen verwendet werden:
| Die Zeichen (in Bild B.1a und Bild B.1.b) sind an einer gut sichtbaren Stelle innerhalb von 2 m in der Nähe des Schwimmbeckens anzubringen. |
![]() ![]() |
| Es wird empfohlen, das Zeichen (in Bild B.2) an einer gut sichtbaren Stelle innerhalb von 2 m in der Nähe des Schwimmbeckens anzubringen. |
![]() |


